ISO 1179-3 Connexions per a ús general i potència de fluids: ports i extremitats de tancament amb rosques ISO 228-1 amb segellat elastomèric o metàl·lic. Part 3: Tancaments de tall lleugers (sèrie L) amb segellat per junta tòrica amb anell de retenció (tipus G i H)

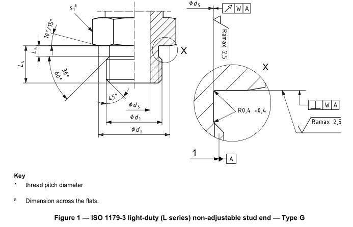
Aquesta part de la norma ISO 1179 especifica les dimensions, els requisits de rendiment i els procediments de prova per als extrems de perns lleugers (sèrie L) no ajustables i ajustables amb rosques ISO 228-1 amb segellat per junta tòrica amb anell de retenció (tipus G i H, respectivament ).

Les puntes de tall lleugeres (sèrie L) d’acord amb aquesta part de la norma ISO 1179 es poden utilitzar a pressions de treball de fins a 31,5 MPa (315 bar) per a extrems de subjecció no ajustables (tipus G) i fins a 20 MPa (200 barra) per a extrems ajustables (tipus H). La pressió de treball admissible depèn de la mida, els materials, el disseny, les condicions de treball, l’aplicació, etc.

La conformitat amb la informació dimensional en aquesta part de la ISO 1179 no garanteix un rendiment nominal. Cada fabricant ha de realitzar proves d'acord amb les especificacions contingudes en aquesta part de la ISO 1179 per assegurar que els components fets a aquesta part de la ISO 1179 compleixin les qualificacions de rendiment.
NOTA 1 Aquesta part de la ISO 1179 s'aplica als connectors detallats a la norma ISO 8434-2.
NOTA 2 La introducció d’aquesta part d’ISO 1179 dóna recomanacions sobre els ports i els extrems de tancament que s’utilitzaran per a nous dissenys en aplicacions hidràuliques i pneumàtiques.






