1. Definició de SAE Flange Butt Welding, l'extrem de la brida SAE és conforme a la norma SAE J518 incloent (brida dividida, brida d'una sola peça i port de brida SAE 4), l'extrem Butt Welding es defineix a l'ASME B16.11.Hi ha codi 61 per a 3000 a 5000 psi màx., Depenent de la mida; Codi d'alta pressió 62 per a 6000 psi màx., Independentment de la mida.
2. Mètodes de soldadura de punta de brida SAE, són connexions normals de brides per brida amb ranura en O per tal de contrarestar la junta tòrica de la brida, ja que l'extrem de soldadura a tope és com a punt inferior

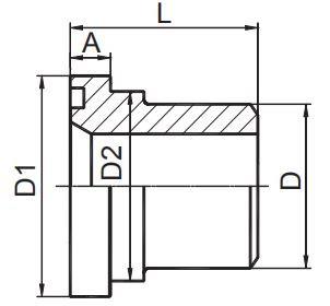
3. La dimensió de la soldadura a tope segons ASME B16.11, per a mides i xamfrà de soldadura al coll de SAE, va ser revisada a 37 graus x 5,5, 6,5, etc., és a la necessitat de pressió.

4. La brida de finalització de soldadura de Tig és igual que sense angle i xamfrà.

1. Brida SAE Butt Weld 1FLW-IN / 1FSW-IN



2. Brida de soldadura per puny SAE 1FLW9-IN / 1FSW9-IN


Etiquetes populars: SAE 4 pern brides de soldadura de puntes, Xina, fabricants, proveïdors, costum, llautó, swagelok, Parker, Stauff, Brennan, acer inoxidable















